Были времена, когда народ гордился собственной дачей (загородным домом), приличным автомобилем или добротной импортной мебелью. Сегодня так гордятся личными бассейнами. Ну, еще бы! – люди создают их, образно выражаясь, по своему образу и подобию. То есть в каждом таком бассейне при желании можно увидеть характер и наклонности, привычки и предпочтения хозяина. Новые технологии и современные материалы позволяют претворять в жизнь самые дерзновенные проекты частных бассейнов. Как правило, именно в них, в проектах, и закладывается изначально секрет индивидуальности каждого такого сооружения.
Бассейны в загородном доме, в коттедже давно перестали быть излишеством и признаком роскоши. Сегодня они, скорее всего, сообщают о приверженности их владельцев к ведению здорового образа жизни, об их серьезном отношении к отдыху после рабочего дня и в выходные, о заботе относительно всех членов семьи. Поэтому каждый будущий владелец бассейна желает, чтобы сооружение было комфортным, надежным и безопасным, и вместе с тем – гармонично вписывалось в интерьер дома или в ландшафт участка.
В нашей компании Вам обязательно предложат типовой проект бассейна в загородном доме, однако, как показывает практика, чаще люди предпочитают, чтобы проекты дачных бассейнов разрабатывались лично для них, с учетом их пожеланий к дизайну, интерьеру, отделке, дополнительному оборудованию и т.д. Учитывая это, наши специалисты окажут Вам профессиональную помощь при выборе типа и формы бассейна, его месторасположения, проведут необходимое обследование и подготовку к строительству.
Проект бассейна на даче, строительство водоема непременно должны учитывать особенности загородного быта, а именно: отсутствие центрального отопления и водопровода (в большинстве случаев), проблемы с водоподготовкой (обеззараживание, очистка, смягчение воды и т.п.), наличие электрических или газовых котлов, принудительной канализации и т.д. Специалисты нашей компании хорошо знакомы со спецификой проектирования и строительства бассейнов в такой местности. Они спроектируют и проведут монтаж всех необходимых инженерных сетей и сдадут Вам «под ключ» комфортный, безопасный и красивый бассейн.
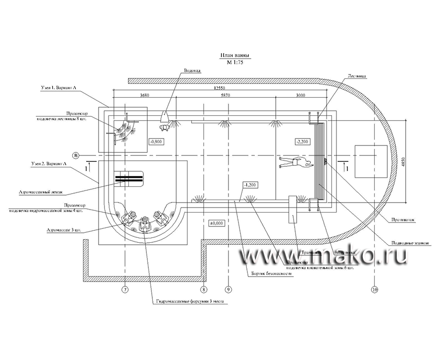
Если заказчик планирует бассейн закрытого типа, т.е. внутри дома или в пристрое рядом с ним, то ему предложат построить бассейн с чашей из монолитного бетона. Это самый качественный, прочный и надежный вид бассейна, хотя и самый дорогой. Зато прослужит несколько десятков лет, к тому же его конструкция легко позволит установить дополнительное оборудование, как-то: гидро- и аэромассаж, горки, водопады, подводное освещение. Оформленные таким образом частные закрытые бассейны рискуют почти никогда не быть свободными от людей… В этот водный уголок дома будут стремиться все члены семьи (особенно дети), а также родственники и гости.
Если разрабатывается проект открытого уличного бассейна, то наши дизайнеры непременно учитывают особенности ландшафта. Бассейн призван быть естественным продолжением либо особым украшением участка. Чаша должна располагаться с учетом рельефа местности, посадок деревьев и кустарников (как уже имеющихся, так и планируемых) и других деталей ландшафта (это могут быть цветники, ручьи или родники, детская площадка и т.д.).
Подбор оборудования для частного бассейна открытого типа производят проектировщики совместно с заказчиком. Сообща они определяют перечень необходимого оборудования (фильтров, нагревателей, насосов, систем водоподготовки и т.д.), а также развлекательного и оздоровительного (массажные установки, противоток и др.). Будущему владельцу уличного бассейна могут быть предложены раздвижные павильоны, представляющие собой легкие, но прочные каркасы из алюминия и поликарбоната. Такая удобная «крыша» позволит плавать в бассейне в плохую погоду, обеспечит надежную защиту от мусора (например, опадающих листьев) и даст возможность пользоваться водоемом круглый год.
Помимо бассейна из бетона в нашей компании Вам предложат другие виды и типы искусственных водоемов. Выбор – за Вами. А опыт наших специалистов и наличие мощной технической базы позволят осуществить строительство бассейнов любого уровня сложности и масштаба.







































